EN CN
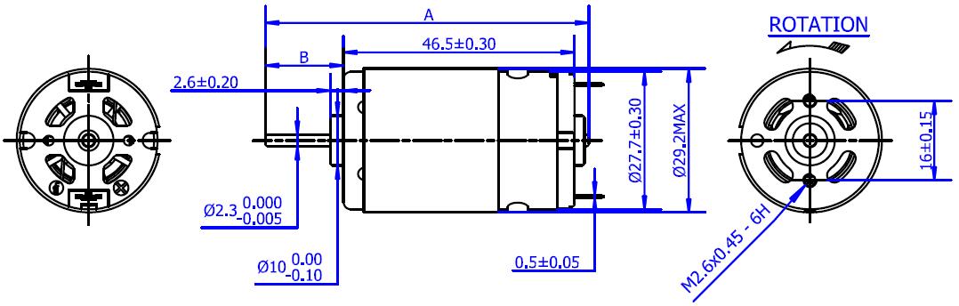
JBSD390P

JBSD390P

用途:

产品介绍:

产品详情